Karakteristik pwodwi yo
- Pwoteksyon pousyè eksepsyonèl: seri a SFA pote karakteristik yon pousyè gaya - konsepsyon prèv, asire lontan - pèfòmans ki dire lontan ak fyab menm nan anviwònman yo ki pi difisil.
- Operasyon bri ki ba: Enjenieri pou pwodiksyon bri minimòm, BEARINGS sa yo bay yon operasyon trankil, fè yo ideyal pou aplikasyon pou kote rediksyon bri se kritik.
- Konstriksyon dirab: manifaktire soti nan segondè {{0}
- Aplikasyon versatile: apwopriye pou yon pakèt domèn endistri yo, ki gen ladan manifakti, HVAC, ak otomobil, BEARINGS sa yo se pafè pou machin ak divès kalite ekipman ki mande pou pèfòmans optimal.
- Fasil enstalasyon: Ki fèt pou konplikasyon - Enstalasyon gratis, BEARINGS seri SFA nou an senplifye pwosedi antretyen ak diminye D ', pou ranfòse efikasite operasyonèl.
Deskripsyon detaye
Avèk pwodiksyon bri ki ba li yo, seri a SFA se solisyon an pafè pou anviwònman kote bri twòp ka deranje. Pa itilize teknik jeni avanse, sa yo BEARINGS minimize Vibration ak bri, konsa amelyore konfò itilizatè ak satisfaksyon.
Konstwi soti nan materyèl prim, BEARINGS yo montre eksepsyonèl fòs ak rezistans, fè yo apwopriye pou manyen charj lou san yo pa konpwomèt fonctionnalités. Yo patikilyèman benefisye nan wo - anviwònman estrès kote fyab se esansyèl.
Nati a versatile nan BEARINGS yo seri SFA fè yo ideyal pou itilize nan aplikasyon pou divès tankou ekipman fabrikasyon, sistèm HVAC, machin otomobil, ak plis ankò. Adaptabilite yo asire yo ke yo satisfè bezwen yo espesifik nan endistri divès kalite.
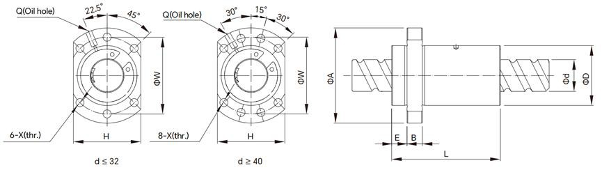
Enstalasyon se senp ak efikas, sa ki pèmèt pou ranplasman rapid ak diminye D '. Si ou ap amelyore machin ki egziste deja oswa bati nouvo sistèm, pousyè a fò - prèv ki ba bri SFA seri pote se chwa a pi bon pou pèfòmans ranfòse ak disponiblite.
Pwodwi spesifikasyon


Baj popilè: fò pousyè - prèv ki ba bri SFA seri pote, Lachin fò pousyè - prèv ki ba bri SFA seri pote manifaktirè, founisè, faktori








